芯城品牌采购网 > 品牌资讯 > 技术方案

场效应管的工作原理是什么场效应管的特点-芯城品牌采购网

场效应管是利用控制输入回路的电场效应来控制输出回路电流的一种半导体器件,由于它仅靠半导体中的多数载流子导电,又称单极型晶体管。场效应管具有输入电阻高、噪声小、功耗低、动态范围大、易于集成、没有二次击穿现象、安全工作区域宽等优点。场效应管的工作原理是什么?场效应管的特点有哪些?场效应管的工作原理是什么场效应管的特点场效应管的工作原理是什么场效应管的工作原理是什么场效应管工作原理用一句话说,就是“漏极

芯城品牌采购网

25138

这一文来说说什么是磁传感器芯片?最常用的磁传感器芯片类型及应用-芯城品牌采购网

1.什么是磁传感器半导体芯片?磁传感器半导体芯片通常是指将磁场的大小和变化转换成电信号。磁场,以地球磁场(地磁)或磁石为例的磁场是我们熟悉但不可见的现象。将不可见的磁场转化为电信号,以及转化为可见效应的磁传感器一直以来都是研究的主题。从几十年前使用电磁感应效应的传感器,到如今涉及磁场电效应、磁阻效应、约瑟夫森效应和其他物理现象的应用。2.典型磁传感器及其应用现在,利用各种物理效应的传感器已经商业化

芯城品牌采购网

24221

SMT贴片中回流焊主要工艺参数的控制方法-芯城品牌采购网

回流焊SMT是将电子元器件焊接到PCB板上,回流焊是用于表面SMD贴装器件。回流焊是利用热气流对焊点的作用,使凝胶状助焊剂在一定的高温气流作用下发生物理反应,实现SMD焊接。之所以称之为“回流焊”,是因为气体在焊机内循环产生高温,以达到焊接的目的。回流焊的主要工艺参数是传热、链速控制和风速风量控制。接下来,我将和大家分享回流焊主要工艺参数的控制方法。1.回流焊热传递的控制。回流焊热风输送目前很多产

芯城品牌采购网

25154

电容电阻在电源输入口串联的特殊用处-芯城品牌采购网

我们经常使用电容和电阻,我们也比较熟悉单个电子元器件的使用。你会用电阻和电容吗?。今天,我就和大家一起简单了解几个电阻电容使用的例子。。1.个电阻器串联电容器。这类应用在电源输入口很常见,如下图1所示。串联电容器一般是陶瓷电容器,小电阻串联在一起,以限制通电瞬间流过电感Le的电流,从而也抑制了A点的电流。。当然,这种连接方法也可以用一个ESR比较大的单个电解电容器来代替。电阻和电容的串联连接也可以

芯城品牌采购网

23737

功率运算放大器如何挑选,APEX微技术完全兼容“M/883”等级产品-芯城品牌采购网

三十余年来,国防和航空航天领域工作的行业客户一直依赖APEXMicrotechnology功率运算放大器、开关(PWM)放大器和精密电压基准来满足操作环境的严苛需求。APEX产品提供商业/工业级产品,部分型号同时提供非兼容的“M”级(高可靠性)或完全兼容“M/883”等级产品。APEX产品按照具体工作温度范围分为四级:商业级、工业级、非兼容“M”级和“M/883”兼容军用级。根据应用,如果工作环境

芯城品牌采购网

26800

STM意法半导体新碳化硅功率模块提升电动汽车的性能和续航里程-芯城品牌采购网

2022年12月14日,中国----服务多重电子应用领域、全球排名前列的半导体公司STM意法半导体(STMicroelectronics,简称ST;纽约证券交易所代码:STM)发布了可提高电动汽车性能和续航里程的大功率模块。意法半导体的新碳化硅(SiC)功率模块已用在现代汽车公司的E-GMP电动汽车平台,以及共享该平台的起亚EV6等多款车型。意法半导体新推出的五款基于碳化硅MOSFET的功率模块为

芯城品牌采购网

28265

解析功率MOSFET的驱动电感性负载-芯城品牌采购网

文章介绍了采用表面贴装封装设计LITTLEFOOT®功率MOSFET的过程。它描述了功率MOSFET的驱动电感性负载,公共栅极驱动器以及磁盘驱动器应用以及公共栅极级的驱动电容性负载。VishaySiliconix的LITTLEFOOT功率MOSFET将强大的功率处理能力封装在纤巧的表面贴装封装中。标准概述的8引脚SOIC封装(图1)具有铜引线框架,可最大程度地提高热传递,同时保持与现有表面贴装技术

芯城品牌采购网

27657

决定开关电源寿命的元器件-芯城品牌采购网

1、决定开关电源寿命的元器件①电解电容器电解电容器的封口部位会漏出气化的电解液,这种现象会随着温度的升高而加速,一般认为温度每上升10℃,泄漏速度会提高至2倍。因此可以说电解电容器决定了电源装置的寿命。②风扇球形轴承及轴承的润滑油枯竭、机械装置部件的磨损,会加速风扇的老化。加之近年的DC风扇的驱动回路开始使用电解电容器等部件,所以有必要将回路部件寿命等因素也一并考虑进去。③光电耦合器电流传达率(C

芯城品牌采购网

22993

干簧管工作原理和特性-芯城品牌采购网

平行动作(见图1,图2,图3,图4,图5);与以上的垂直运动相结合(见图6,图7,图8,图9);在我们探讨每一个方法前,首先要清楚各种状态干簧管及磁铁位置间的关系以及他们在开或合状态下的特性。根据干簧管尺寸与磁场强度的不同,开关的开合点也会有相应的改变。首先我们来先考虑磁铁与干簧管(磁簧开关)是平行安放的情况。图1,开关打开与闭合范围是表示为x轴和y轴。这些范围代表磁铁在干簧管附近沿着x轴运动的物

芯城品牌采购网

20111

关于电阻器选购知识1)根据电路特点选用高频电路:分布参数越小越好,应选用金属膜电阻、金属氧化膜电阻等高频电阻。低频电路:绕线电阻、碳膜电阻都适用。退耦电路、滤波电路:对阻值变化没有严格要求,任何类电阻器都适用。功率放大电路、偏置电路、取样电路:电路对稳定性要求比较高,应选温度系数小的电阻器。2)根据电阻器的阻值和误差选用阻值选用:原则是所用电阻器的标称阻值与所需电阻器阻值差值越小越好。误差选用:时

芯城品牌采购网

25792

基于AT89C51单片机实现串行总线芯片测试实验平台的设计-芯城品牌采购网

应用串行接口芯片扩展系统时,在初步选择了串行接口的芯片后,为了对芯片的资源更好地了解,开发者一般在系统设计前搭建一个简单的硬件电路并编制相应的软件对其测试,待性能验证后再确定最终的设计方案。本文根据这一需要设计了一个用于串行总线芯片测试的实验平台。该平台以PC机为人机接口、采用单片机产生芯片串行通信时序。应用这一平台可以大大简化芯片使用前的测试过程。这一平台也为单片机串行扩展的初学者提供了快捷的学

芯城品牌采购网

25674

EMC开关节点布局注意事项-芯城品牌采购网

本文将介绍最基本的开关节点波形,助您了解如何在PCB路由时确定适当的开关(SW)节点走线尺寸,并了解开关节点中电场(E场)和磁场(H场)产生的近场耦合效应。开关节点波形在开始这部分关键走线的PCB设计之前,首先要了解开关节点上的电流和电压波形。尤其需要在布局之前先查看和了解开关电压、时变电流和开关频率的波形。我们以MPS的降压(buck)变换器MPQ4430为例进行说明(见图1)。降压变换器MPQ

芯城品牌采购网

21288

聊聊汽车级光伏驱动器和分立MOSFET-芯城品牌采购网

工程师已经研究和开发了可以代替机械继电器的固态继电器设备。与机械继电器相比,这些固态继电器具有更高的可靠性,更快的切换时间,没有切换弹跳以及更小的尺寸。但是随着这些优点的出现,带来了使设计人员和用户不愿使用固态继电器的缺点。诸如较高的成本和较高的相对导通电阻的缺点。本文讨论了汽车级光伏驱动器和分立MOSFET,以形成光隔离的固态继电器。借助光伏驱动器,设计人员可以从广泛的汽车级MOSFET产品组合

芯城品牌采购网

28541

将钽电解电容器换成片状多层陶瓷电容器,这样做的理由主要有两个。是可靠性问题。钽电解电容器存在发生短路故障时导致冒烟和起火的可能性。出现冒烟和起火现象时,对于配备钽电解电容器的电子产品而言是致命的。另一个是原材料钽的问题。钽属于稀有金属,其产地在全世界屈指可数。因此,如果产地出现政治动荡等,就会陷入价格暴涨、供给不稳定的局面。只要原材料是稀有金属,钽电解电容器用户就不可能完全避免此类风险。而解决这些

芯城品牌采购网

22863

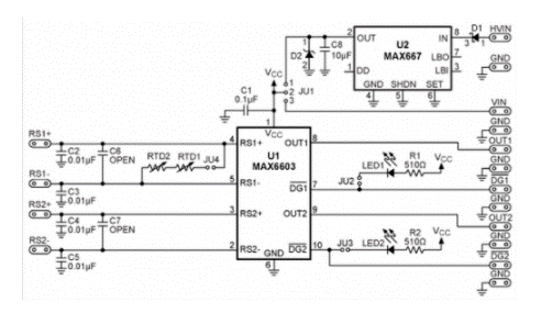
基于MAX6603信号调理器的PC温度测量系统的步骤-芯城品牌采购网

本应用笔记是基于PC的温度测量系统的参考设计。它使用MAX1396和MAX6603EVKIT,MAXQ2000微控制器和MAX6603信号调理器。该设计提供了一种简便的方法,无需复杂的转换公式即可从MAX6603获取温度读数。提供了原理图,框图和软件。简介该参考设计概述了如何使用MAX1396,MAX6603EVKIT和MAXQ2000评估基于MAX6603信号调理器的基于PC的温度测量系统的步骤

芯城品牌采购网

26582

设计一个自动频率校对反射式红外感应器的资料说明-芯城品牌采购网

有一些网友学不好LM567的锁相环电路(主要是指我自己),主要是总是跑频,下面是一个网友发给我的电路,我感觉非常的好,就发上来分享了。本电路的巧处就在于它用的LM567的内部检测电路作频率发生,使电路和主频自动跟随校对。本电路可以用在自动干手机,无触点开关,距离感应器件上。原图有一些值没有写,我经过试验得出了实用的值,已经标在电路中。电路图:原理图下面是作者自己的话:当D2接收到D1发射出经反射物

芯城品牌采购网

24089

电源开关上的这两个标识究竟代表什么?-芯城品牌采购网

几乎所有的电器、灯具和插座上只要带有电源开关必然会出现“|”和“O”两个符号如果只看符号判断“|”和“O”到底代表什么含义呢?你能分清哪个是电路联通哪个是电路断开吗?很多人认为“O”是通电,“|”是断电因为英语里开是OPEN很多开关也用ON代表“开”进阶版的认为“|”和“O”这两个符号是英文的“I/O”两个字母是input/output的缩写翻译过来就是输入和输出所以,当然“|”是通电,“O”是断

芯城品牌采购网

22561

配套的直流微型驱动和运动控制器-芯城品牌采购网

选择合作伙伴要谨慎。体积小、功率大的直流电机在集成化程度不断提高的系统研发过程中发挥了至关重要的作用。从医疗和实验室技术到航天、机器人、光学和光电学、以及工业机械和设备领域,这类电机在众多应用领域内都是理想的驱动技术。但只有在和减速箱、编码器以及运动控制器等其它部件组合的情况下,它们才能真正构成适合应用需求的驱动或定位系统。为了确保运行可靠性,正确选择配套部件至关重要。所有部件都必须与电机兼容,并

芯城品牌采购网

25648

浅谈新能源汽车电气系统的TLX9175J车规级光继电器-芯城品牌采购网

电气系统一直是汽车安全中比较敏感的单元,很多常见小问题均因电气系统的可靠性不能满足而产生。对于电动汽车而言,由于涵盖了更多的功能单位,包括牵引逆变器、温度控制和加热系统以及车载充电器,这些系统在完全不同的电压水平下运行,因此必须进行电气隔离(Galvanicisolation)。从过往经验来看,用于数据传输的电气隔离是通过光学技术借助LED源和光电二极管接收器实现的。但是,在以电动汽车为代表的汽车

芯城品牌采购网

27801

改进JBS结构以降低泄漏电流和提高浪涌电流能力-芯城品牌采购网

JBS结构降低泄漏电流(IR)SBD是由半导体与金属的接合形成的。由于半导体和金属之间的势垒不同,它起着二极管的作用。由于半导体-金属界面上的分子结构可能是不连续的,因此可能会出现表面不规则、晶体缺陷或其它异常现象。当强电场作用于含有这些缺陷的半导体-金属界面时,会有所谓的泄漏电流(IR)流动。在具有传统结构的SBD中,耗尽区延伸到半导体侧(如下所示),导致电荷(或电子)产生的电场在半导体-金属界

芯城品牌采购网

24324

TD-SCDMA系统的基带处理流程如图1所示。其中,传输信道编码复用包括以下一些处理步骤:CRC校验、传输块级联/分割、信道编码、无线帧均衡、第1次交织、无线帧分割、速率匹配、传输信道复用、比特扰码、物理信道分割、第2次交织、子帧分割、物理信道映射等,如图2所示。图1TD-SCDMA基带处理框图图2传输信道编码复用结构在图2中,每个传输信道(TrCH)对应一个业务,由于各种业务对时延的要求不同,所

芯城品牌采购网

27505

做嵌入式软件的朋友们也不要太高估了自己,虽然大家可以把硬件秀起来,但是你拯救不了“无药可救”的硬件。不要一头扎到代码的调试中,而是更多的分析现场和一些可能性的问题,先排查一些更加常见且易查的硬件问题,此时此刻示波器得秀起来~1电源问题对于电源问题引起的死机,在这么多年软件调试过程了至少有碰到过10次左右,特别是一些经验不是特别丰富的软件工程师们在开发的过程中很少去质疑硬件问题,所以一言不合就从嵌入

芯城品牌采购网

23105

助AI实现边缘计算的理想之选-FPGA-芯城品牌采购网

人类大脑之中有将近1000亿个神经元。虽然这是一个天文数字,但将这些神经元组织成网络的神经相连的数量是数万亿的数量级,而神经相连的数量明显影响大脑的能力。FPGA外部的互连性相似于人脑中的神经连接。FPGA中的可编程逻辑结构也以相似的方式互联,这就是为什么英特尔®FPGA是神经网络和其他人工智能工作负载构建的完美选择。在逻辑和线互连的层面之上,FPGA的位级动态可编程性就像一个敏捷的大脑,可变更注

芯城品牌采购网

27025

新冠疫情放开后数字医疗技术的提升-芯城品牌采购网

由于国内外新冠疫情的放开,患者增加,科技集成芯片公司也不断公布全新的芯片应用技术来拥护医疗。数字医疗技术行业的先锋创新者(包含ADI)已经将之下一代技术交付给供应商。这方面的一个例子是关键的迹象监测技术,如可穿戴设备和可穿戴设备。有了它们,即使病人返回医生的办公室,医生也可不受阻碍地再次获取数据。这使医生能取得可手动的见解,并使精确的诊断更难。ADI半导体公司数字医疗高级副总裁PatO'Doher

芯城品牌采购网

24477

DSP嵌入式技术的智能制动控制系统电路设计-芯城品牌采购网

基于DSP嵌入式技术的智能制动控制系统电路设计。在硬件电路设计之中,使用DSP芯片和周围电路组成速度收集电路。电机驱动控制器使用微控制芯片和周围电路构成电流取样、过流保障、压力调控等电路。使用CPLD构建了无刷斜流电机的转子位置。信号的逻辑换流。赛车制动控制器由防弯控制器和电机驱动控制器构成。两种控制器均基于DSP芯片。防滑控制器主要是以滑移率为控制对象,输入一个实数的制动压力。以DSP芯片为CP

芯城品牌采购网

27456

如何用XilinxFPGA的Theano,Python,PYNQ和Zynq开发定点DeepRecurrent神经网络-芯城品牌采购网

基于XilinxFPGA构建水深递归神经网络语法建模。可编程语义(Prologis)是由标准化积体电路造成的。语义机能是根据使用者对装置的编译器来确认的。使用者可自行将字符装置编译器到Prologis之中。经过多年的转型,可编程语义元件已经从20世纪末70中期的可编程语义元件元件(Prologis)转型到目前具有数千万门的现场可编程元件语义(FPGA)。随着AI分析的飞速发展,FPGA并行性已在一

芯城品牌采购网

26427

智能控制如何降低能耗-芯城品牌采购网

越来越多的企业和个人正在寻找减少能源足迹和增加可再生资源使用的方法。我们应该关注哪里才能产生显着效果?世界上超过65%的电力用于为工业环境、商业建筑和个人家庭中的电机和电源提供动力。根据我们的数据世界,60%的电力来自燃烧煤炭和天然气,不到10%来自可再生能源。智能变频数字电机控制,能耗降低25%以上。智能数字电源控制可以最大限度地提高太阳能和风能的生产效率,并最大限度地降低超高耗能设备的功耗。在

芯城品牌采购网

23759

MCU单片机的3种破解技术-芯城品牌采购网

MCU单片机的安全级别正在逐步提高,一些公司甚至发行了安全性主控。这是一个很糟糕的现象,解释嵌入式领域的信息安全性和程序安全性越来越受大家的重视。然而,对于许多特定行业,如消费者电子产品、高成本通信模块、电源控制模块等,由于成本压力和更换速度问题,不也许采用更安全性的主控MCU,而很大一部分产品甚至还在采用51单片机。大家也许都明白,破译51单片机是一件非常容易的事情,但是为什么难,如何破译,也许

芯城品牌采购网

26947

光伏电源电路的PCB布局-芯城品牌采购网

我在这个项目中的目标是创建一个非常简单,非常紧凑的电路,可以为基于微控制器的嵌入式系统供电。该电路仅在充足照明的时间内有效,因为该设计不包括用于存储剩余能量的电容器或电池。在本文中,我将从电源原理图中了解电路的PCB布局。光伏电源的PCB布局下图显示了PCB顶部和底部的布局。所有组件和大部分痕迹和铜浇注都在顶部;底部主要是地平面。PCB尺寸微控制器是SiliconLabs的EFM8SleepyBe

芯城品牌采购网

27048

车载电源线路用共模滤波器-芯城品牌采购网

DC输入滤波器电路基本构成DC输入滤波器电路的滤波构成受基板图案的接地方法很大影响,需要根据使之衰减的频带和噪声传播途径分别使用适当的部件。在EMI对策中,设计初期阶段最好采用能配置电感器(L)、电容器(C)、共模滤波器(CMF)的图案构成。滤波器构成示例正常(差分)模式噪声和共模噪声传导噪声有正常(差分)模式噪声和共模噪声两种。正常模式噪声发生在电路线路之间并逆相流动,共模噪声发生在电路线和接地

芯城品牌采购网

25350

MPS携新型ACDC电源解决方案迎接低碳新时代-芯城品牌采购网

低碳时代到来,引领小型化和高效率趋势开关电源在80年代替代线性电源之后,电源效率得到了极大的提升,尺寸也大大减少。随着开关电源在各个应用上的不断发展和消费者对便携性的要求,开关电源继续朝着小型化,轻量化的趋势发展。近年来,碳达峰、碳中和“3060”目标开启了低碳新时代,随着节能减排的要求越来越严,人们对环保节能低耗绿色提出了更高要求,对开关电源的能效标准也越来越严。比如,欧盟执委会最新的CoCV5

芯城品牌采购网

26067

如何正确地布设运算放大器-芯城品牌采购网

那如何正确地布设运算放大器的电路板以确保其功能、性能和稳健性呢?事件重现工程师与自己的实习生利用增益为2V/V、负荷为10k、电源电压为+/-15V的非反相配置OPA191运算放大器进行设计。图1所示为该设计的原理图。图1采用非反相配置的OPA191原理图工程师指派实习生为该设计布设电路板,同时为他做了PCB布设方面的一般指导(即尽可能缩短电路板的走线路径,同时将组件保持紧密排布,以减小电路板空间

芯城品牌采购网

22878

不同的电平信号的MCU如何进行串口通信?-芯城品牌采购网

该电路的核心在于电路中的MOS场效应管(2N7002)。他和三极管的功能很相似,可做开关使用,即可控制电路的通和断。不过比起三极管,MOS管有挺多优势,后面将会详细讲起。下图是MOS管实物3D图和电路图。简单的讲,要让他当做开关,只要让Vgs(导通电压)达到一定值,引脚D、S就会导通,Vgs没有达到这个值就截止。那么如何将2N7002应用到上面电路中呢,又起着什么作用呢?下面我们来分析一下。如果沿

芯城品牌采购网

26766

高稳定性的汽车应用,为什么要选WFM系列检流电阻?-芯城品牌采购网

在选型时我注意到,WFM系列电阻能够提供较高的功率、更高的工作温度,以及长期的稳定性,下面想就以下几个问题请教一下:(1)下面这个产品降额图,图中橙色和蓝色曲线分别代表什么含义?(2)WFM电阻保持长期稳定性的原因是什么?(3)WFM电阻在装配漂移方面的表现如何?是否有这方面的数据?首先回答第一个问题上述曲线是基于标准电气规范第一页所列的端子降额功率,两个图表中分别列出了2010和2512尺寸的W

芯城品牌采购网

24384

具备低电阻与轻薄特点的双电层电容器(EDLC/超级电容器)-芯城品牌采购网

此产品在保持了双电层电容器(EDLC/超级电容器)的最大特点——容量大的同时,其低电阻的特性可对应大电流,而3V以上的额定电压使其方便使用。它还是一种由绿色材料制成的设备。作为电容器的定位双电层电容器(EDLC/超级电容器)可以凭借其大容量来储存较大的能量。TDK的双电层电容器(EDLC/超级电容器)可以储存数mF~500mF的大容量。额定电压为3.2V~4.2V,即使不提高电压,也能得到足够的能

芯城品牌采购网

23616

基于LVDS收发器芯片实现全彩LED控制系统信号传输系统的设计-芯城品牌采购网

引言LVDS(低电压差分信号)是一种能满足超高速数据传输的新技术,它具有低电压、低辐射、低功耗、低成本和内含时钟等优点,尤其适用于有一定传输距离要求的低功耗高速数据传输。由于用LVDS接口传输信号必须先进行LVDS和TTL的转换,所以在LVDS接口处使用专用LVDS收发器芯片不仅提高了成本,而且增大了PCB板的面积;而用千兆网卡传输则需要使用帧同步字,并且在接收端需要对接收到的数据进行同步字校验。

芯城品牌采购网

27948

PN二极管的正向导电性-芯城品牌采购网

二极管是常用的电子元件之一,它的特性就是单向导电,也就是电流只可以从二极管的一个方向流过,二极管的作用有整流电路,检波电路,稳压电路,各种调制电路,主要都是由二极管来构成的。二极管工作原理晶体二极管为一个由p型半导体和n型半导体形成的p-n结,在其界面处两侧形成空间电荷层,并建有自建电常当不存在外加电压时,由于p-n结两边载流子浓度差引起的扩散电流和自建电场引起的漂移电流相等而处于电平衡状态。二极

芯城品牌采购网

23332

光敏电阻简介  光敏电阻或光导管,常用的制作材料为硫化镉,另外还有硒、硫化铝、硫化铅和硫化铋等材料。这些制作材料具有在特定波长的光照射下,其阻值迅速减小的特性。这是由于光照产生的载流子都参与导电,在外加电场的作用下作漂移运动,电子奔向电源的正极,空穴奔向电源的负极,从而使光敏电阻器的阻值迅速下降。  光敏电阻是用硫化隔或硒化隔等半导体材料制成的特殊电阻器,其工作原理是基于内光电效应。光照愈强,阻值

芯城品牌采购网

23899

常见的ADC类型及原理-芯城品牌采购网

ADC类型积分型ADC优点:积分型ADC分辨率高,位数可做到12位甚至更高线性度非常好。本质上,输入端与一个集成的参考电压相比较来决定输出端,所以线性度将取决于比较器的精度。电路实现拓扑简单,用于实现这些设备的元件相对较少,因此电路相对简单且生产成本较低。缺点:主要缺点是转换速度慢。N位ADC,输出可能需要长达2个N的时钟周期来转换单个采样点转换原理都是基于对电压积分并将积分后电压与另一电压比较以

芯城品牌采购网

25528

使用氮化镓IC对离线式电源的大电容进行优化-芯城品牌采购网

额定功率低于75W的适配器的组成元件包括:输入滤波器、二极管整流器、输入和输出电容、IC控制器、辅助电源、磁性元件、功率器件和散热片。集成解决方案在缩小和简化变换器方面已经取得了长足的进步,剩下的最大元件就是磁性元件、输入大电容、输出电容和EMI输入级。为了减小磁性元件的尺寸,在高频AC/DC变换器的设计上投入了大量的研究和工程工作。然而,输入大电容所占体积与适配器内的磁性元件相比却差不多甚至更大

芯城品牌采购网

26430

频率合成器MBl5U36的结构性能及应用分析-芯城品牌采购网

1引言随着无线电技术的迅猛发展,雷达、导航、宇宙飞行、导弹及空间探索工作都需要高稳定度、高精度的频率源。锁相振荡源具有频率稳定度高、相位噪声低、易于集成等突出优点,因而成为通信、雷达、武器制导和电子测量仪器等系统的核心部件。在射频及微波系统中,采用串行码数据输入的数字式电荷泵频率合成器,外接压控振荡器(VCO)和环路滤波器,即可组成锁相(PLL)频率源。它具有电路设计简单、功耗低、可灵活编程控制分

芯城品牌采购网

19652

高速串行数据通信CY7B923芯片的性能特点及设计实例-芯城品牌采购网

1概述CY7B923是CYPRESS半导体公司推出的一种用于点对点之间高速串行数据通信的发送芯片。CY7B923采用的是基带传输通信方式,并支持带电插拔(热接插)。其内部电路主要包括时钟产生器、输入寄存器、编码器、移位寄存器、三对差分PECL输出对以及测试逻辑等。该芯片外转帐电路比较简单,不需单片机或微机控制,并且内置有自测试电路,因此使用比较方便。CY7B923的最大传输速率可达400Mbps,

芯城品牌采购网

25319